DESCRIERE
Plasa plisată anti-insecte pentru ușă în varianta LITE are un aspect modern, iar datorită conectorului interior de colț îmbinările nu sunt vizibile. Profilurile din aluminiu secționate la un unghi de 45° asigură o aliniere precisă și o rezistență ridicată a construcției. Aluminiul utilizat nu ruginește, motiv pentru care plasa este potrivită pentru utilizare exterioară pe termen lung – rezistă la intemperii și își păstrează forma și culoarea. Tipul de plasă utilizat este Glass Fiber – o plasă plisată de calitate, din fibră de sticlă. Tensionarea plasei este realizată cu ajutorul unui dispozitiv amplasat direct în profil astfel încât, printr-o simplă deplasare, fără a fi necesară demontarea produsului, puteți întinde plasa. Produsul este livrat complet asamblat și pregătit pentru montaj (nu este livrat demontat). Plasa poate fi montată simplu fie cu ajutorul benzii dublu-adezive, fie prin fixare cu șuruburi în rama ușii. Posibilități de dimensiuni ale plaselor – lățime de la 300 mm la 1300 mm și înălțime de la 400 mm la 2400 mm. Dimensiunea de comandă este dimensiunea finală a ramei plasei anti-insecte PLISSE LITE (așa-numita dimensiune perimetrică).
Exemplu de colț și conector interior:


În oferta de culori pentru profiluri avem aceste nuanțe RAL de bază:
- RAL 7016 – antracit
- RAL 9016 – alb
- RAL 8003 – maro
- RAL 8016 – maro închis
- RAL 9006 - gri
- stejar auriu
- nuc
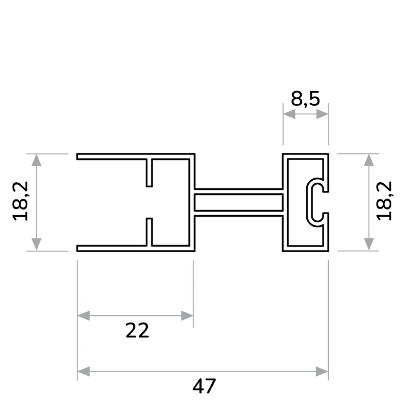
Secțiune prin profil, mâner și montaj pe ușă:



Întreținerea plaselor
Aspirare la putere redusă
Puteți curăța plasele cu un aspirator reglat la puterea minimă. Aspirați ușor suprafața plasei pentru a îndepărta praful și murdăria. Aveți grijă să nu deteriorați sau deformați plasa.
Perie moale și lavetă umedă
Pentru curățare puteți folosi o perie moale. Ștergeți bine rama și plasa cu o lavetă umedă. Puteți folosi și apă cu săpun. Nu utilizați substanțe chimice agresive sau diluanți.
Clătire cu apă
După curățare este recomandat să clătiți plasele cu apă curată, eventual să ștergeți rama cu o lavetă curată. Lăsați apoi plasa să se usuce bine.

Dacă una dintre componentele plasei dumneavoastră s-a deteriorat în urma utilizării sau s-a rupt accidental, nu trebuie să vă faceți griji – toate piesele de schimb pot fi comandate foarte simplu.
Este suficient să ne trimiteți un e-mail în care să menționați:
- numărul comenzii dumneavoastră anterioare (dacă îl aveți la dispoziție)
- o scurtă descriere sau o fotografie a piesei deteriorate.
Dacă nu mai aveți numărul comenzii, nu este nicio problemă – îl vom identifica cu plăcere pe baza datelor dumneavoastră de contact (nume, e-mail, număr de telefon).
Ne ocupăm noi de tot. Cu plăcere vă vom pregăti comanda pieselor de schimb necesare și vă vom ajuta pentru ca plasele dumneavoastră să funcționeze din nou în mod fiabil.